+7 (912)-751-33-24Заказать звонок
Заказать звонок

Оставьте Ваше сообщение и контактные данные и наши специалисты свяжутся с Вами в ближайшее рабочее время для решения Вашего вопроса.

Ваш телефон
Ваш телефон*
Ваше имя
Ваше имя

* - Поля, обязательные для заполнения

Сообщение отправлено
Ваше сообщение успешно отправлено. В ближайшее время с Вами свяжется наш специалист
Закрыть окно
arbatex@list.ru
Каталог товаров
Подписка на новости магазина

Подпишитесь на рассылку и получайте свежие новости и акции нашего магазина.

Описание товара:

Контактные сельсины НС-404 выполнены в соответствии с асинхронными электродвигателями с ротором небольшой мощности. Статор сельсина НС-404 не явнополюсной, обмотки— распределенные.
Характеристики:
Напряжение, В
110±5,5
3 000 руб. / шт Цена не является конечной и требует уточнения у менеджера.
В наличииВ наличии
Загрузка
Рассчитываем стоимость доставки
Пожалуйста подождите, рассчет займет немного времени

Описание товара

Описание сельсина НС-404:


Контактные сельсины НС-404 выполнены в соответствии с асинхронными электродвигателями с ротором небольшой мощности. Статор сельсина НС-404 не явнополюсной, обмотки— распределенные.
Обмотка возбуждения находится на роторе, подключение тока осуществляется через пару контактных колец. Основным недостатком контактных сельсинов НС404 являются контактные кольца, что обеспечивает более низкую надежность.

Характеристики контактного сельсина НС-404:


Режим работы - индикаторный;
Назначение - приемник;
Частота - 50Гц;
Напряжение возбуждения - 110В;
Ток возбуждения холостого хода - 0,28А;
Потребляемая мощность - не более 8,0Вт;
Номинальное вторичное напряжение холостого хода - 50В;
Погрешность следования - ±45угл.мин, ±90угл.мин;
Время успокоения ротора - 3с;
Удельный синхронизирующий момент - 10Гсм/град;
Момент трения с возбуждением - 14Гсм;
Скорость вращения - не более 500об/мин;
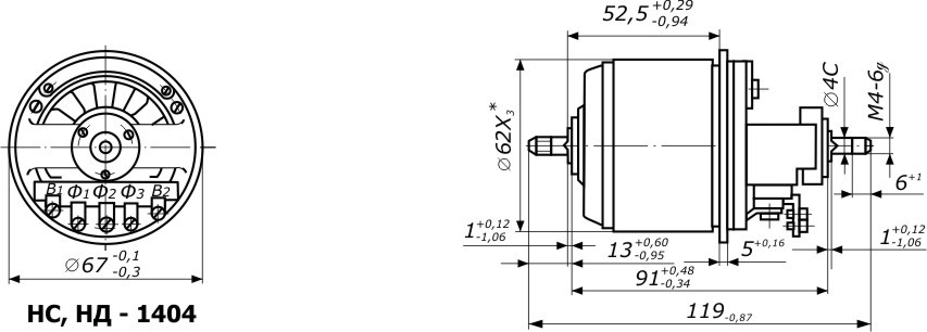
Наружный диаметр - 62мм;
Длина с выходными концами вала - 119мм;
Масса - 0,8кг.
Класс 1


Вар-ты поиска:
НС-404, НС*404, НС404, сельсин НС404, сельсин НС-404, сельсин НС-404 кл.1, Сельсин НС404 кл.1, сельсин НС404 класс 1, нс404 двигатель, двигатель нс404

Характеристики

Прочие
Напряжение, В 110±5,5
Добавить отзыв
Ваша оценка:
Отправить отзыв

Похожие товары (8)

3 000 руб. / шт Цена не является конечной и требует уточнения у менеджера.
В наличииВ наличии
НС-404 сельсин
Задать вопрос

Ваше имя*
Контактный телефон*
E-mail
Вопрос*

* - Поля, обязательные для заполнения

Сообщение отправлено
Ваше сообщение успешно отправлено. В ближайшее время с Вами свяжется наш специалист
Закрыть окно
Купить в один клик
Заполните данные для заказа
Запросить стоимость товара
Заполните данные для запроса цены
Запросить цену Запросить цену