+7 (912)-751-33-24Заказать звонок
Заказать звонок

Оставьте Ваше сообщение и контактные данные и наши специалисты свяжутся с Вами в ближайшее рабочее время для решения Вашего вопроса.

Ваш телефон
Ваш телефон*
Ваше имя
Ваше имя

* - Поля, обязательные для заполнения

Сообщение отправлено
Ваше сообщение успешно отправлено. В ближайшее время с Вами свяжется наш специалист
Закрыть окно
arbatex@list.ru
Каталог товаров
Подписка на новости магазина

Подпишитесь на рассылку и получайте свежие новости и акции нашего магазина.

Описание товара:

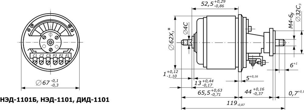
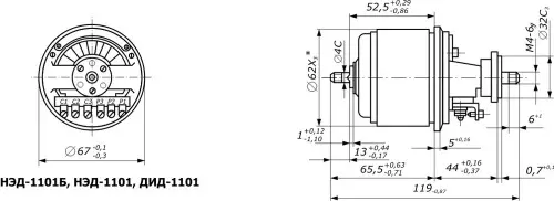
Контактные сельсины НЭД-101 выполнены в соответствии с асинхронными электродвигателями с ротором небольшой мощности. Статор сельсина НЭД-101 не явнополюсной, обмотки— распределенные.
Характеристики:
Напряжение, В
49±2
1 690 руб. / шт Цена не является конечной и требует уточнения у менеджера.
В наличииВ наличии
Загрузка
Рассчитываем стоимость доставки
Пожалуйста подождите, рассчет займет немного времени

Описание товара

Описание сельсина НЭД-101:


Контактные сельсины НЭД-101 выполнены в соответствии с асинхронными электродвигателями с ротором небольшой мощности. Статор сельсина НЭД-101 не явнополюсной, обмотки— распределенные.
Обмотка возбуждения находится на роторе, подключение тока осуществляется через пару контактных колец. Основным недостатком контактных сельсинов являются контактные кольца, что обеспечивает более низкую надежность.

Характеристики НЭД-101:


Режим работы - индикаторный;
Назначение - приемник;
Частота - 50Гц;
Напряжение возбуждения - 50В;
Номинальное вторичное напряжение холостого хода - 50В;
Удельный синхронизирующий момент - 6,0Гсм/град;

Сельсины НЭД-101 подразделяются на классы точности:


- 2 класс точности (2 кл. т.) имеет характеристики:
Погрешность следования - ±90угл.мин;
Момент трения с возбуждением - 10Гсм;

Габариты:


Наружный диаметр - 62мм;
Длина с выходными концами вала - 119мм;
Масса - 0,80кг;

Характеристики

Прочие
Напряжение, В 49±2
Добавить отзыв
Ваша оценка:
Отправить отзыв

Похожие товары (8)

1 690 руб. / шт Цена не является конечной и требует уточнения у менеджера.
В наличииВ наличии
НЭД-101 сельсин
Задать вопрос

Ваше имя*
Контактный телефон*
E-mail
Вопрос*

* - Поля, обязательные для заполнения

Сообщение отправлено
Ваше сообщение успешно отправлено. В ближайшее время с Вами свяжется наш специалист
Закрыть окно
Купить в один клик
Заполните данные для заказа
Запросить стоимость товара
Заполните данные для запроса цены
Запросить цену Запросить цену