+7 (912)-751-33-24Заказать звонок
Заказать звонок

Оставьте Ваше сообщение и контактные данные и наши специалисты свяжутся с Вами в ближайшее рабочее время для решения Вашего вопроса.

Ваш телефон
Ваш телефон*
Ваше имя
Ваше имя

* - Поля, обязательные для заполнения

Сообщение отправлено
Ваше сообщение успешно отправлено. В ближайшее время с Вами свяжется наш специалист
Закрыть окно
arbatex@list.ru
Каталог товаров
Подписка на новости магазина

Подпишитесь на рассылку и получайте свежие новости и акции нашего магазина.

Описание товара:

Трансформатор МИТ-4ВМ осуществляет преобразование переменного напряжения и/или гальваническую развязку в самых различных областях применения - электроэнергетике, электронике и радиотехнике.
117 руб. / шт Цена не является конечной и требует уточнения у менеджера.
В наличииВ наличии
Загрузка
Рассчитываем стоимость доставки
Пожалуйста подождите, рассчет займет немного времени

Описание товара

Описание


Трансформатор МИТ-4ВМ — это статическое электромагнитное устройство, имеющее две или более индуктивно связанные обмотки на каком-либо магнитопроводе и предназначенное для преобразования посредством электромагнитной индукции одной или нескольких систем (напряжений) переменного тока в одну или несколько других систем (напряжений), без изменения частоты.

Осуществляет преобразование переменного напряжения и/или гальваническую развязку в самых различных областях применения — электроэнергетике, электронике и радиотехнике.

Параметры и характеристики:


Предназначены для применения в радиотехнической аппаратуре производственно-технического назначения.
Малогабаритные импульсные трансформаторы с повышенной влагоустойчивостью типа МИТ выпускаются 11 типономиналов одного конструктивного исполнения с одной, двумя или тремя вторичными обмотками.
Технические условия: ИЮ0.472.004 ТУ.

Основные технические характеристики трансформаторов типа МИТ:
• Длительность импульсов ...... от 0,04 до 4 мкс;
• Частота следования импульсов ...... от 0,1 кГц до 10 кГц;
• Ток намагничивания ...... от 45 до 210 мА;
• Максимально допустимое рабочее напряжение ...... до 300 В;
• Максимально допустимый ток в обмотках (импульсный) ...... до 2 А;.
• Сопротивление изоляции между обмотками ...... не менее 5000 МОм;.
• Температура окружающей среды ...... -60...+85 °С;
• Относительная влажность воздуха при температуре +40 °С ...... 98 %;
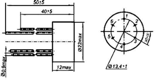
• Габаритные размеры ...... диаметр 22 мм, высота 13 мм;.
• Минимальная наработка ...... 100000 часов;
• Срок сохраняемости ...... 25 лет;
• Маркировка «В» - высота  корпуса с выводами 55 мм;
• Маркировка «М» - высота корпуса с выводами 22 мм.

Характеристики

Прочие
Файлы Загрузить
Файлы
Добавить отзыв
Ваша оценка:
Отправить отзыв

Похожие товары (8)

Файлы

МИТ.pdf Файлы, 59.64 КБ
117 руб. / шт Цена не является конечной и требует уточнения у менеджера.
В наличииВ наличии
МИТ-4ВМ трансформатор
Задать вопрос

Ваше имя*
Контактный телефон*
E-mail
Вопрос*

* - Поля, обязательные для заполнения

Сообщение отправлено
Ваше сообщение успешно отправлено. В ближайшее время с Вами свяжется наш специалист
Закрыть окно
Купить в один клик
Заполните данные для заказа
Запросить стоимость товара
Заполните данные для запроса цены
Запросить цену Запросить цену